Доработка системы охлаждения двигателя мод.412
- Tomsk_customs
- Почетный автомобилист

- Сообщения: 502
- Зарегистрирован: 13 ноя 2006 22:35
Доработка системы охлаждения двигателя мод.412
Из журнала "За рулем".
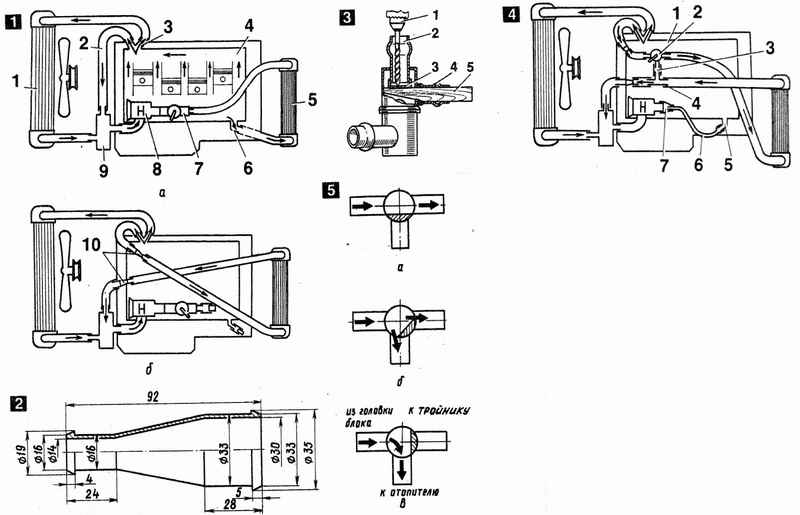
Измерения температуры, скорости движения и количества жидкости, проходящей в магистралях системы охлаждения двигателя и системы отопления, показали недостатки существующей схемы ее циркуляции. Наибольший запас тепловой энергии имеет поток охлаждающей жидкости (в применении к отопителю она теплоноситель), выходящей из головки блока цилиндров.
B стандартной схеме (рис.1,a) этот поток направляется по двум руслам - к радиатору охлаждения и к термостату (мы рассматриваем схему с унифицированным, «вазовским» термостатом). B зависимости от температуры жидкости термостат направляет ее сразу обратно в двигатель (до +80°) по малому кругу через шланг 2 или через радиатор охлаждения 1 - по большому кругу (выше +90°). В диапазоне от +80 до +90° циркуляции смешанная. Несущая тепло жидкость отбирается в систему отопления из блока двигателя в зоне четвертого цилиндра. Здесь ее температура на 9-11' ниже, чем на выходе из головки, где, кстати, установлен температypный датчик, показания которого мы видим на шкале указатели. Что касается количества подаваемой в отопитель жидкости, то его недостаточно, что6ы справиться c постyпaющим в радиатор охлажденным морозом воздухом.
Итак, задача ясна. Надо использовать для отопления жидкость, выходящую из головки блока, направив ее в «печку», а уж из нее в термостат. Здесь можно предложить дна варианта. Первый (рис.1,6) назовем его зимним, пригоден для круглогодичной эксплуатации автомобиля в северных районах и зимой в средних. Он сравнительно прост.
Pазpываем малый круг (шланг 2) и к этой разорванной ветви подключаем радиатор 5 отопителя. Тела самым мы поднимаем температуру на входе в него (она стянет равной максимально возможной в системе), a кроме того, количество протекающей по магистрали отопления жидкости возрастет на холостых и средних оборотах двигателя в 1,5, а на высоких - почти в 1,8 раза.
Как практически осуществить такое изменение? Прежде всего, отсоедините шланги отопителя от штуцера в блоке и крана отопителя и слейте полностью всю жидкость. Освободившийся штуцер блока и кран заглушите короткими отрезками шлангов (по 80-90 мм) со вставленными и зажатыми в них пробками (кpyпными болтами или короткими отpезкaми прутков). Затем перережьте примерно на середине резиновый шланг 2. Снимите верхний отрезок шланга и проверьте, нет ли в патрубке тропинка 3, закрепленного на головке блока, ограничительного отверстия диаметром 12-14 лам. Если есть, распилите его круглым напильником, увеличив до величины внутреннего диаметра патрубка. Иногда подобный ограничитель расхода (дроссельная шайба) вкладывается заводом - изготовителем двигателей непосредственно в шланг 2. Шайбу легко нащупать или просто увидеть в снятом шланге. Удалите ее. Чтобы соединить теперь разрезанные концы шланга 2 со шлангами отопителя, имеющими меньший диаметр, надо изготовить два одинаковых переходника, которые для удобства монтажа сначала закрепить на концах разрезанного шланга, a затем соединить c отопительной магистралью. На рис. 2 приведен чертеж такого переходника. Материал для изготовления — нержавеющая сталь или цветной металл. Размер его конусной части выбран c учетом наименьшего гидравлического сопротивления движущемуся по нему потоку жидкости.
Теперь рассмотрим работу термостата. при поездках осенью или весной В оттепель. зимой во время более или менее длительных стоянок из-за пробки на дороге или y железнодорожного переезда может возникнуть неудобная ситуация, когда ухудшится или прекратится вовсе обогрев салона. Дела в том, что охлаждающая жидкость при работающем двигателе, лишенном необходимого обдува наружным воздухом, начинает постепенно прогреваться до максимальной своей температуры (+85-90°). При этом нижний клапан термостата открывается, посылая жидкость в радиатор системы охлаждения двигателя, а верхний клапан зaкpывается, прекращал циркуляцию теплоносителя в системе отопления.
Чтобы исключить, это нежелательное явление, следует удалить из теpмостатa верхний клапан (рис. з). Через патрубок 4 пинцетом или тонкими плоскогубцами вытащите пружину верхнего клапана. Вставьте деревянный брусков 5 так, чтобы заклинить верхний клапан, лишить его подвижности. Через верхний патрубок 2 высверлите клапан по окружности патрубка, пользуясь сверлом диаметром 2-2,5 мм. Оставшийся от него ободок сомните и вытащите через патрубок 4. Удалите стружку из термостата. Если эту работу вы проделаете после того, как поездите c неизмененным термостатом, то заметите, что показания температуры жидкости двигателя более стабильны, без всплесков верхних значений. Отопление не будет прерываться, и, более того, появится своеобразное автоматическое регулирование количества жидкости, подаваемой в магистраль отопления, в зависимости от температуры окружающей среды: при оттепелях общее количество жидкости будет распределяться между радиаторами охлаждения и отопления, a при морозах вся она из двигателя будет направляться только в магистраль отопления.
Второй вариант переделки систем охлаждения и отопления (рис.4) сложнее, но зато совершеннее и универсальнее. Он c одинаковым успехом пригоден для эксплуатации автомобиля зимой и летом во всех климатических зонах нашей страны. По сравнению c первой схемой (см. рис.1,б) здесь добавляются трехходовой кран 2 (рис.4), который устанавливают на ветви, подающей жидкость в отопитель, и тройник 4, врезаемый в отводящую от него ветвь. Наличие этик дополнительных узлов, так же как и соединяющего их шланга 3, придает универсальность работе системы жидкостной циркуляции - стабильность на всех без исключения режимах работы двигателя. Шланг 3 восстанавливает стандартную схему, a трехходовой кран дает возможность отключать отoпитель летом (рис.5,a), a зимой включать и малый круг частично (рис. 5,6) или полностью (рис.5,в). Таким образом, циркуляция жидкости не прерывается при любом положении крана, поскольку термостат этой схеме изменен как в первом варианте, то есть не имеет верхнего клапана.
Конструкция крана и его детали приведены на рис. 6, тройника - на рис.7. Рычаг 2 (см. рис.6) c креплением приводного троса можно использовать от стандартного крана. При этом отогнутый под прярым углом упорный ус следует укоротить на 3 мм.
Отметим еще одну особенность этого варианта. Штуцер 5 (см. рис.4) блока цилиндров двигателя и штуцер водяного насоса 7 после удаления крана надо соединить дюритовым шлангом 6 внутренним диаметром 6-9 мм. Эта ветвь нужна для выравнивания темпеpатуры жидкость вдоль блока цилиндров иначе она в зоне четвертого и частично третьего цилиндров нагревается сильнее, чем у других цилиндров (до +106-108° С), в то время как на входе в радиатор охлаждения имеет +89' C.
Чтобы улучшить обогрев лобового стекла и салона, помимо изменения схемы циркуляции жидкости полезно переделать некоторые детали системы отопления.
K лобовому стеклу будет попадать больше нагретого воздуха, если мы увеличим проходное сечение сопел, расположенных под ним (рис.8 ) Опыты показали, что в результате уширения сопел c 6 до 12 мм лобовое стекло оттаивает при прочих равных условиях на 3 минyты быстрее.
Изготовить новые детали сложно, проще переделать их. Для этого есть доступный способ.
Разрежем сопла по линии соединения их половинок до патру6ков. Изготовим из пластмассы, поддающейся выгибанию после нагрева, клинья и подгоним их по месту (профилю сопел) так, чтобы ширина щели y двух левых не превышала 12 мм, у правого - 10 мм. Вклеиваем клинья при помощи «Момента», «феникса» и др. В кузове, где есть пазы для установки сопел, ближнюю к лобовому стеклу кромку этих пазов следует подрезать на 2-3 мм, чтобы сопла беспрепятственно разместились, сохранив прежний способ крепления.
Теперь о нижних заслонках отопителя. Срежьте y них глухие передние стенки. Не сомневайтесь, воздух попадет к ногам и водителя и переднего пассажира. Более того, ему будет легче протекать назад между передними сиденьями. B этом нетрудно убедиться, опустив после переделки руку в пространство над туннелем между сиденьями - вы тут же почувствуете движение воздуха, теплого или прохладного, в зависимости от положения краника отопителя.
Выполнить эту работу будет проще, если снять заднюю крышку отопитeля, отвернув шесть винтов по ее параметру. Не забудьте заранее отсоединить провода от электродвигателя отопителя. Заслонки останутся на крышке, и их можно подрезать, не демонтируя. Окажется трудно сделать это - разберите узел, осторожно выбив ось вращения заслонок.
B пpедыдущих материалах об улучшении обогрева салона Москвича почему-то никто не обращал внимания на поперечину пола, которая проходит под передними сиденьями. A ведь это «Большой кавказский хребет», препятствующий поступлению теплого воздуха в зону ног пассажиров на заднем сиденье. Поперечина благодаря хорошей тепло-, a значит, и холодопроводности держит точно такую же температуру, что и наружная поверхность кузова. Так что и холодное время зимой в салоне присутствует источник отрицательной температуры, который резко снижает температуру воздуха. Чтобы предотвратить эти потери тепла в кузове, оклейте поперечину поролоном или обложите асбестом, покройте резинобитумной мастикой или другим подобным материалом. Затем выpежьте из деревянных брусков клинья, положите их спереди поперечины и накройте резиновым или другим ковриком, как показано на рис. 9. Теперь воздух сможет преодолеть эту горку и направиться к заднему сиденью
Измерения температуры, скорости движения и количества жидкости, проходящей в магистралях системы охлаждения двигателя и системы отопления, показали недостатки существующей схемы ее циркуляции. Наибольший запас тепловой энергии имеет поток охлаждающей жидкости (в применении к отопителю она теплоноситель), выходящей из головки блока цилиндров.
B стандартной схеме (рис.1,a) этот поток направляется по двум руслам - к радиатору охлаждения и к термостату (мы рассматриваем схему с унифицированным, «вазовским» термостатом). B зависимости от температуры жидкости термостат направляет ее сразу обратно в двигатель (до +80°) по малому кругу через шланг 2 или через радиатор охлаждения 1 - по большому кругу (выше +90°). В диапазоне от +80 до +90° циркуляции смешанная. Несущая тепло жидкость отбирается в систему отопления из блока двигателя в зоне четвертого цилиндра. Здесь ее температура на 9-11' ниже, чем на выходе из головки, где, кстати, установлен температypный датчик, показания которого мы видим на шкале указатели. Что касается количества подаваемой в отопитель жидкости, то его недостаточно, что6ы справиться c постyпaющим в радиатор охлажденным морозом воздухом.
Итак, задача ясна. Надо использовать для отопления жидкость, выходящую из головки блока, направив ее в «печку», а уж из нее в термостат. Здесь можно предложить дна варианта. Первый (рис.1,6) назовем его зимним, пригоден для круглогодичной эксплуатации автомобиля в северных районах и зимой в средних. Он сравнительно прост.
Pазpываем малый круг (шланг 2) и к этой разорванной ветви подключаем радиатор 5 отопителя. Тела самым мы поднимаем температуру на входе в него (она стянет равной максимально возможной в системе), a кроме того, количество протекающей по магистрали отопления жидкости возрастет на холостых и средних оборотах двигателя в 1,5, а на высоких - почти в 1,8 раза.
Как практически осуществить такое изменение? Прежде всего, отсоедините шланги отопителя от штуцера в блоке и крана отопителя и слейте полностью всю жидкость. Освободившийся штуцер блока и кран заглушите короткими отрезками шлангов (по 80-90 мм) со вставленными и зажатыми в них пробками (кpyпными болтами или короткими отpезкaми прутков). Затем перережьте примерно на середине резиновый шланг 2. Снимите верхний отрезок шланга и проверьте, нет ли в патрубке тропинка 3, закрепленного на головке блока, ограничительного отверстия диаметром 12-14 лам. Если есть, распилите его круглым напильником, увеличив до величины внутреннего диаметра патрубка. Иногда подобный ограничитель расхода (дроссельная шайба) вкладывается заводом - изготовителем двигателей непосредственно в шланг 2. Шайбу легко нащупать или просто увидеть в снятом шланге. Удалите ее. Чтобы соединить теперь разрезанные концы шланга 2 со шлангами отопителя, имеющими меньший диаметр, надо изготовить два одинаковых переходника, которые для удобства монтажа сначала закрепить на концах разрезанного шланга, a затем соединить c отопительной магистралью. На рис. 2 приведен чертеж такого переходника. Материал для изготовления — нержавеющая сталь или цветной металл. Размер его конусной части выбран c учетом наименьшего гидравлического сопротивления движущемуся по нему потоку жидкости.
Теперь рассмотрим работу термостата. при поездках осенью или весной В оттепель. зимой во время более или менее длительных стоянок из-за пробки на дороге или y железнодорожного переезда может возникнуть неудобная ситуация, когда ухудшится или прекратится вовсе обогрев салона. Дела в том, что охлаждающая жидкость при работающем двигателе, лишенном необходимого обдува наружным воздухом, начинает постепенно прогреваться до максимальной своей температуры (+85-90°). При этом нижний клапан термостата открывается, посылая жидкость в радиатор системы охлаждения двигателя, а верхний клапан зaкpывается, прекращал циркуляцию теплоносителя в системе отопления.
Чтобы исключить, это нежелательное явление, следует удалить из теpмостатa верхний клапан (рис. з). Через патрубок 4 пинцетом или тонкими плоскогубцами вытащите пружину верхнего клапана. Вставьте деревянный брусков 5 так, чтобы заклинить верхний клапан, лишить его подвижности. Через верхний патрубок 2 высверлите клапан по окружности патрубка, пользуясь сверлом диаметром 2-2,5 мм. Оставшийся от него ободок сомните и вытащите через патрубок 4. Удалите стружку из термостата. Если эту работу вы проделаете после того, как поездите c неизмененным термостатом, то заметите, что показания температуры жидкости двигателя более стабильны, без всплесков верхних значений. Отопление не будет прерываться, и, более того, появится своеобразное автоматическое регулирование количества жидкости, подаваемой в магистраль отопления, в зависимости от температуры окружающей среды: при оттепелях общее количество жидкости будет распределяться между радиаторами охлаждения и отопления, a при морозах вся она из двигателя будет направляться только в магистраль отопления.
Второй вариант переделки систем охлаждения и отопления (рис.4) сложнее, но зато совершеннее и универсальнее. Он c одинаковым успехом пригоден для эксплуатации автомобиля зимой и летом во всех климатических зонах нашей страны. По сравнению c первой схемой (см. рис.1,б) здесь добавляются трехходовой кран 2 (рис.4), который устанавливают на ветви, подающей жидкость в отопитель, и тройник 4, врезаемый в отводящую от него ветвь. Наличие этик дополнительных узлов, так же как и соединяющего их шланга 3, придает универсальность работе системы жидкостной циркуляции - стабильность на всех без исключения режимах работы двигателя. Шланг 3 восстанавливает стандартную схему, a трехходовой кран дает возможность отключать отoпитель летом (рис.5,a), a зимой включать и малый круг частично (рис. 5,6) или полностью (рис.5,в). Таким образом, циркуляция жидкости не прерывается при любом положении крана, поскольку термостат этой схеме изменен как в первом варианте, то есть не имеет верхнего клапана.
Конструкция крана и его детали приведены на рис. 6, тройника - на рис.7. Рычаг 2 (см. рис.6) c креплением приводного троса можно использовать от стандартного крана. При этом отогнутый под прярым углом упорный ус следует укоротить на 3 мм.
Отметим еще одну особенность этого варианта. Штуцер 5 (см. рис.4) блока цилиндров двигателя и штуцер водяного насоса 7 после удаления крана надо соединить дюритовым шлангом 6 внутренним диаметром 6-9 мм. Эта ветвь нужна для выравнивания темпеpатуры жидкость вдоль блока цилиндров иначе она в зоне четвертого и частично третьего цилиндров нагревается сильнее, чем у других цилиндров (до +106-108° С), в то время как на входе в радиатор охлаждения имеет +89' C.
Чтобы улучшить обогрев лобового стекла и салона, помимо изменения схемы циркуляции жидкости полезно переделать некоторые детали системы отопления.
K лобовому стеклу будет попадать больше нагретого воздуха, если мы увеличим проходное сечение сопел, расположенных под ним (рис.8 ) Опыты показали, что в результате уширения сопел c 6 до 12 мм лобовое стекло оттаивает при прочих равных условиях на 3 минyты быстрее.
Изготовить новые детали сложно, проще переделать их. Для этого есть доступный способ.
Разрежем сопла по линии соединения их половинок до патру6ков. Изготовим из пластмассы, поддающейся выгибанию после нагрева, клинья и подгоним их по месту (профилю сопел) так, чтобы ширина щели y двух левых не превышала 12 мм, у правого - 10 мм. Вклеиваем клинья при помощи «Момента», «феникса» и др. В кузове, где есть пазы для установки сопел, ближнюю к лобовому стеклу кромку этих пазов следует подрезать на 2-3 мм, чтобы сопла беспрепятственно разместились, сохранив прежний способ крепления.
Теперь о нижних заслонках отопителя. Срежьте y них глухие передние стенки. Не сомневайтесь, воздух попадет к ногам и водителя и переднего пассажира. Более того, ему будет легче протекать назад между передними сиденьями. B этом нетрудно убедиться, опустив после переделки руку в пространство над туннелем между сиденьями - вы тут же почувствуете движение воздуха, теплого или прохладного, в зависимости от положения краника отопителя.
Выполнить эту работу будет проще, если снять заднюю крышку отопитeля, отвернув шесть винтов по ее параметру. Не забудьте заранее отсоединить провода от электродвигателя отопителя. Заслонки останутся на крышке, и их можно подрезать, не демонтируя. Окажется трудно сделать это - разберите узел, осторожно выбив ось вращения заслонок.
B пpедыдущих материалах об улучшении обогрева салона Москвича почему-то никто не обращал внимания на поперечину пола, которая проходит под передними сиденьями. A ведь это «Большой кавказский хребет», препятствующий поступлению теплого воздуха в зону ног пассажиров на заднем сиденье. Поперечина благодаря хорошей тепло-, a значит, и холодопроводности держит точно такую же температуру, что и наружная поверхность кузова. Так что и холодное время зимой в салоне присутствует источник отрицательной температуры, который резко снижает температуру воздуха. Чтобы предотвратить эти потери тепла в кузове, оклейте поперечину поролоном или обложите асбестом, покройте резинобитумной мастикой или другим подобным материалом. Затем выpежьте из деревянных брусков клинья, положите их спереди поперечины и накройте резиновым или другим ковриком, как показано на рис. 9. Теперь воздух сможет преодолеть эту горку и направиться к заднему сиденью
- Вложения
-
- Рис.1. Схемы циркуляции жидкости по системам охлаждения двигателя и отопления: а - стандартная; б - зимний вариант; 1 - радиатор охлаждения; 2 - байпасный шланг (малого круга); 3 - тройник на головке блока; 4 - рубашка двигателя; 5 - радиатор отопителя; 6
- 11_2.jpg (38.27 КБ) 43256 просмотров
-
- Рис.6. Трехходовой кран: 1 - штуцер (З шт., размеры как на рис. 7); 2 - рычаг; 3 - гайка и шайба крепления рычага; 4 - пластина; 5 - прокладка (материал - капролон, полиэтилен, фторопласт); 6 - крышка (материал - нержавеющий металл); 7 - золотник (материа
- 12_2.jpg (52.42 КБ) 43256 просмотров
- Tomsk_customs
- Почетный автомобилист

- Сообщения: 502
- Зарегистрирован: 13 ноя 2006 22:35
Переделал систему отопления как описовалось в статье. Пока черновой вариант.
Основная проблема стояла где найти (сделать) трехходовой кран. Решил я её таким образом: нашел штуцер d16-18 с резьбой на 16, шаг больше 2 и вроде как коническая, надыбал у знакомого метчик 16х1.5. В стандартном кране высверлил отверите, нарезал резьбу, со скрежетом, но все же вкрутил штуцер
, посмотрел сколько нужно снять резьбы чтобы немешалась золотнику. Золотник передалал согласно рисунку.
Крепление тросика делалось из стандартного рычага и уголка для рам (мне он понравился из-за того что есть ребра жесткости) и подручного железа. Из фото наверное будет понятно как все это крепиться. Переходники с d33 на d16 делались из стальных труб и красились чтоб не ржавели. Чтобы избежать подтекания посадил всё на герметик.Переделал термостат.
В морозы испробовал сие творение, ну что сказать по ощущениям, стало теплее, даже жарко

Но при отключенной печки движок перегревается
Я думаю, что понизилась производительность помпы из-за уменьшения диаметра шлангов. Может быть такое?
Основная проблема стояла где найти (сделать) трехходовой кран. Решил я её таким образом: нашел штуцер d16-18 с резьбой на 16, шаг больше 2 и вроде как коническая, надыбал у знакомого метчик 16х1.5. В стандартном кране высверлил отверите, нарезал резьбу, со скрежетом, но все же вкрутил штуцер
Крепление тросика делалось из стандартного рычага и уголка для рам (мне он понравился из-за того что есть ребра жесткости) и подручного железа. Из фото наверное будет понятно как все это крепиться. Переходники с d33 на d16 делались из стальных труб и красились чтоб не ржавели. Чтобы избежать подтекания посадил всё на герметик.Переделал термостат.
В морозы испробовал сие творение, ну что сказать по ощущениям, стало теплее, даже жарко
Но при отключенной печки движок перегревается
Я думаю, что понизилась производительность помпы из-за уменьшения диаметра шлангов. Может быть такое?
- Вложения
-
- Стандартный кран
- 100_0017.jpg (55.67 КБ) 42961 просмотр
-
- Кран с отверстием под штуцер
- 100_0032.jpg (47.22 КБ) 42960 просмотров
-
- Модифицированный золотник
- 100_0034.jpg (49.96 КБ) 42960 просмотров
-
- Крепление тросика
- 100_0031.jpg (53.49 КБ) 42960 просмотров
-
- Трехходовой кран
- 100_0030.jpg (55.49 КБ) 42960 просмотров
-
- 100_0021.jpg (76.12 КБ) 42960 просмотров
-
- 100_0022.jpg (56.67 КБ) 42960 просмотров
Фигня ни чё страшного с подшипниками не случиться. Двиган может крутиться до 5500об/мин, но вреалии его не раскручивает ни один владелец до таких оборотов. Значит запас прочности неиспользуется.
Я тоже думаю взять да заказать шкив выточить, тока не на помпу а на выходной вал движка с большим диаметром. Можно будет двух зайцев убить. Электро снабжение и охлаждение.
Я тоже думаю взять да заказать шкив выточить, тока не на помпу а на выходной вал движка с большим диаметром. Можно будет двух зайцев убить. Электро снабжение и охлаждение.
Кто сейчас на форуме
Сейчас этот форум просматривают: нет зарегистрированных пользователей и 1 гость




