Система зажигания со статическим распределением энергии
при мне произошел подобный случай(разрыв выпускного тракта)на волге.402й двигатель ,зажигание контактное.простояла зиму в гараже,весной хозяин попытался её завести...в итоге посаженный акум и разорванный по шву глушитель!действительно раз-на-раз...народная мудрость гласит,что даже палка иногда стреляет,а тут бензин да еще и искры как от бенгальских огней!!!
да,забыл!витьку(хозяин машины)наверное кантузило.сначала тормозил немного и очень громко разговаривал... 
Последний раз редактировалось Иким 05 янв 2011 17:00, всего редактировалось 1 раз.
Может потому что у классики фазы газораспределения поуже, а как я уже писал такой эффект характерен на моторах с широкими фазами (в частности узамах со стандартным распредвалом), отчего я собственнно и предостерегSirius13 писал(а):Замечание: проехал однажды на 2-х цилиндрах (отказал один канал) около 30 км. Это вам не холодный запуск!, однако никаких вспышек с хлопками не было!
Очень понравилась система, загорелся поставить, впринципи я уже переделал трамблёр и собирался ставить с комутатором 951.3734 с окушными катушками ( по схеме http://domavto.narod.ru/html/body_nenoa ... nidaa.html) но решил что с 133.3774-03 и модулем будет по надёжней, тока возник вопрос к тем кто ставил:
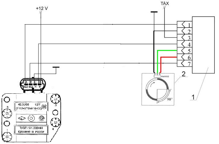
на модуле входной разъём с 4мя контактами (A-Вход1; B-Вход2; C-"-"; D-"+"), как поня к контакту A - 1 с коммутатора, к контакту B - 7 с коммутатора, к контакту В - 4 с коммутатора и +12,контакт С - кидаем на "-". Подскажите пожалуйста верно ли так? Извините пожалуйста если это покажется "Детский сад" Просто если чё не так, боюсь спалить коммутатор))))) А его всё таки тяжеловато достать))
Заранее Благодарен!!!))))
на модуле входной разъём с 4мя контактами (A-Вход1; B-Вход2; C-"-"; D-"+"), как поня к контакту A - 1 с коммутатора, к контакту B - 7 с коммутатора, к контакту В - 4 с коммутатора и +12,контакт С - кидаем на "-". Подскажите пожалуйста верно ли так? Извините пожалуйста если это покажется "Детский сад" Просто если чё не так, боюсь спалить коммутатор))))) А его всё таки тяжеловато достать))
Заранее Благодарен!!!))))
ro_zar! У меня модуль используется как две катушки! Т.е. вся электроника из него выброшена! А коммутатор 951.3734 аналогичен 133.3774-03!
ЗЫ. Сейчас делаю аналогичную систему, но на обычных одноканальных коммутаторах.
ЗЫ. Сейчас делаю аналогичную систему, но на обычных одноканальных коммутаторах.
You can't take the sky from me
Гонщик 73 ЛЕВЕЛА (c) Sugrob
Гонщик 73 ЛЕВЕЛА (c) Sugrob
Ну 7 нога там может быть и никуда не подключена.
You can't take the sky from me
Гонщик 73 ЛЕВЕЛА (c) Sugrob
Гонщик 73 ЛЕВЕЛА (c) Sugrob
vil-2. Это обычный коммутатор. В 2-х канальных таких микросхем 2.
Sugrob. Эта система аналогична твоей по количеству искр.
ro_zar. Так как модуль дорабатывается (превращается в 2 катушки от Оки, см. картинку на первой странице), то подавать минус на него не надо. А так правильно, А-В - первый-второй каналы, D - +12 вольт.
Sugrob. Эта система аналогична твоей по количеству искр.
ro_zar. Так как модуль дорабатывается (превращается в 2 катушки от Оки, см. картинку на первой странице), то подавать минус на него не надо. А так правильно, А-В - первый-второй каналы, D - +12 вольт.
You can't take the sky from me
Гонщик 73 ЛЕВЕЛА (c) Sugrob
Гонщик 73 ЛЕВЕЛА (c) Sugrob
- Tomsk_customs
- Почетный автомобилист

- Сообщения: 502
- Зарегистрирован: 13 ноя 2006 22:35
Кто сейчас на форуме
Сейчас этот форум просматривают: нет зарегистрированных пользователей и 3 гостя



