передние тормоза от 2112 на классику
передние тормоза от 2112 на классику
сразу могу сказать что про 13 колеса можно навсегда забыть они туду неналезут...шланги тормозный тоже от 12 ,все собираем катаемся и радуемся :twisted:
- Вложения
-
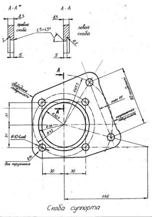
- чертеж переднего переходника
- переходник перед.jpg (22.86 КБ) 27855 просмотров
-
- разбираем перед выкидывае этот кронштейн
- Фото054.jpg (13.97 КБ) 27879 просмотров
-
- взамен прикручиваем новый свежо выточеный или купленый
- Фото049.jpg (14.92 КБ) 27879 просмотров
-
- при зборке ставим новы болтики и гаечки самоконтряшийся
- Фото053.jpg (31.53 КБ) 27879 просмотров
-
- обрезаем по краю зашитный экран
- Фото051.jpg (45.51 КБ) 27879 просмотров
-
- при зборке советую вставить больт в отвертие напротив сошки потом это неудатся сделать она мешает
- Фото050.jpg (19.21 КБ) 27879 просмотров
-
- примеряем тормозной диск от 12 проспорт
- Фото056.jpg (22.47 КБ) 27879 просмотров
-
- Фото058.jpg (19.27 КБ) 27879 просмотров
-
- для токих дисков рекомендую ставить колодки полутше
- Фото059.jpg (22.95 КБ) 27879 просмотров
Это вполне надежно - так много народу делает. Ведь единственная вновь изготавливаемая деталь - это новый кронштейн. Все остальные детали вполне стандартны. Можно поставить диски и суппорта от 2110 - это позволит использовать 13" колеса.
ЗЫ. если так хочется проходить ТО по-честному
- то вам сюда.
ЗЫ. если так хочется проходить ТО по-честному
Про диски от 10 не стоит размер меньше родного классического,и план шайба немного другая там получается .я пробовал сначала собрать на 10 дисках..Sirius13 писал(а):Это вполне надежно - так много народу делает. Ведь единственная вновь изготавливаемая деталь - это новый кронштейн. Все остальные детали вполне стандартны. Можно поставить диски и суппорта от 2110 - это позволит использовать 13" колеса.
ЗЫ. если так хочется проходить ТО по-честному- то вам сюда.
Да по тех осмотру может прокатить,я умудрился с задними дисковыми тормозами и гидроручником пройти сам
Хотя гайшник был удивлен почему ручник работает лутше чем на иномарках
План-шайба такая же, а вот суппорт 2110 (не 2112). Уменьшение диаметра с лихвой компенсируется наличием вентиляции.
You can't take the sky from me
Гонщик 73 ЛЕВЕЛА (c) Sugrob
Гонщик 73 ЛЕВЕЛА (c) Sugrob
Уверен что планшайба такая же ??Sirius13 писал(а):План-шайба такая же, а вот суппорт 2110 (не 2112). Уменьшение диаметра с лихвой компенсируется наличием вентиляции.
Я могу сказать со 100% гарантией что нет, так как сам пробовал вот доказательства.
Да если ставить все от 2110 то диски колесный от классики на 13 тоже не подходят надо от 10 будет искать они там свои
- Вложения
-
- ae_ae_637.jpg (23.13 КБ) 26321 просмотр
-
- 050_176.jpg (23.37 КБ) 26321 просмотр
Кто сейчас на форуме
Сейчас этот форум просматривают: нет зарегистрированных пользователей и 5 гостей


