Разговариваем на разные темы...
-
Sirius13
- Ветеран автоклуба

- Сообщения: 1083
- Зарегистрирован: 28 янв 2010 02:53
Сообщение
Sirius13 » 26 май 2011 08:50
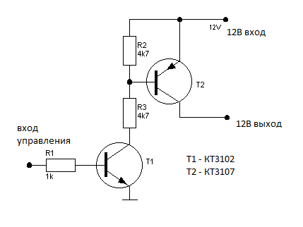
При исчезновении питания. Слушай, мож тебе не заморачиваться с оптопарами, а поставить транзисторы? Типа так.
-
Вложения
-

- lamp_source2.png (8.69 КБ) 5673 просмотра
-
Сельский
- Мастер

- Сообщения: 676
- Зарегистрирован: 07 июл 2008 16:21
Сообщение
Сельский » 26 май 2011 11:14
Спасибо, мы такую схему рассматривали, но отказались из-за того, что нужно ее паять, а неохота нагромождать конструкцию, с оптопарой прям идеальный вариант, к тому же цена у них-копеечная и уже поехал человек за ними - будем экспериментировать)
"Если бы мы делали девушек-они бы тоже не ломались"
Toyota-управляй мечтой
-
Sirius13
- Ветеран автоклуба

- Сообщения: 1083
- Зарегистрирован: 28 янв 2010 02:53
Сообщение
Sirius13 » 26 май 2011 11:18
тогда тебе подойдут пары по схемам 1,5 и 8 из файлика по первой ссылке.
-
Сельский
- Мастер

- Сообщения: 676
- Зарегистрирован: 07 июл 2008 16:21
Сообщение
Сельский » 26 май 2011 13:21
да-да, именно 5-я схема, большое спасибо, вы очень помогли
"Если бы мы делали девушек-они бы тоже не ломались"
Toyota-управляй мечтой
-
fast
- Член клуба ТКА (Admin)

- Сообщения: 2841
- Зарегистрирован: 27 апр 2007 23:50
- Автомобиль: Москвич Святогор (2.0i)
Opel Kadett E (1.4i)
ИЖ2717 (фургон)
- Город: Томск
-
Контактная информация:
Сообщение
fast » 27 май 2011 00:15
есть хорошее оптореле PVT412 (или PVT422 - двух канальное). Весьма универсальное!
Единственный недостаток - высокая цена!
-
Grey89
- Почетный автомобилист

- Сообщения: 318
- Зарегистрирован: 27 дек 2010 19:29
- Автомобиль: Subaru Legacy
- Город: Томск
Сообщение
Grey89 » 27 май 2011 07:48
На сколько я помнню, транзисторный закрываеться, когда на упраляющий подаёшь +, а тиристорный наобарот кода минус
-
Sirius13
- Ветеран автоклуба

- Сообщения: 1083
- Зарегистрирован: 28 янв 2010 02:53
Сообщение
Sirius13 » 27 май 2011 08:14
PVT412 это оптореле для переменного тока. Здесь оно никчему. TLP или Нки за глаза.
-
Сельский
- Мастер

- Сообщения: 676
- Зарегистрирован: 07 июл 2008 16:21
Сообщение
Сельский » 27 май 2011 08:57
TLP521-1 подошло идеально, вчера произвели экскрименты ой, эксперименты и вроде как все понятно, только долго парились с токоограничивающим резистором
-
fast
- Член клуба ТКА (Admin)

- Сообщения: 2841
- Зарегистрирован: 27 апр 2007 23:50
- Автомобиль: Москвич Святогор (2.0i)
Opel Kadett E (1.4i)
ИЖ2717 (фургон)
- Город: Томск
-
Контактная информация:
Сообщение
fast » 27 май 2011 17:32
Sirius13 писал(а):PVT412 это оптореле для переменного тока. Здесь оно никчему. TLP или Нки за глаза.
С чего бы это? PVT412 на постоянку всегда работал - сам ими пользуюсь (правда я как правило PVT422 юзаю)!
Series PVT412 & PbF
Microelectronic Power IC
HEXFET® Power MOSFET Photovoltaic Relay
Single Pole, Normally Open,
0-400V,
140mA AC/DC
-
Sirius13
- Ветеран автоклуба

- Сообщения: 1083
- Зарегистрирован: 28 янв 2010 02:53
Сообщение
Sirius13 » 30 май 2011 08:18
Не так выразился

. Просто оно слишком крутое для данного случая.
-
fast
- Член клуба ТКА (Admin)

- Сообщения: 2841
- Зарегистрирован: 27 апр 2007 23:50
- Автомобиль: Москвич Святогор (2.0i)
Opel Kadett E (1.4i)
ИЖ2717 (фургон)
- Город: Томск
-
Контактная информация:
Сообщение
fast » 30 май 2011 22:57
Sirius13 писал(а):... Просто оно слишком крутое для данного случая.
Согласен... дороговато!
Кто сейчас на форуме
Сейчас этот форум просматривают: нет зарегистрированных пользователей и 0 гостей