Установка трёхуровнего регулятора напряжения
Нет, разницы нет. От щеток идут желтый провод на реле и черный на массу? Я правильную схему нашел? Если так, то черный провод нового регулятора соединяем с желтым и с щеткой, а красный напрямую с черным без всякой массы. А вот само реле нужно надежно закрепить на массу, например поставить на шпильку от старого.
You can't take the sky from me
Гонщик 73 ЛЕВЕЛА (c) Sugrob
Гонщик 73 ЛЕВЕЛА (c) Sugrob
-
Конструктор
- Автолюбитель

- Сообщения: 97
- Зарегистрирован: 23 апр 2009 22:24
Не кажется. Этот регулятор - аналог Я112, шоколадки.
You can't take the sky from me
Гонщик 73 ЛЕВЕЛА (c) Sugrob
Гонщик 73 ЛЕВЕЛА (c) Sugrob
-
Конструктор
- Автолюбитель

- Сообщения: 97
- Зарегистрирован: 23 апр 2009 22:24
Невнимательно читаем!
В том то и дело, что генератор - Г250, а не Г221 от жигулей. А провод подведем.
В том то и дело, что генератор - Г250, а не Г221 от жигулей. А провод подведем.
You can't take the sky from me
Гонщик 73 ЛЕВЕЛА (c) Sugrob
Гонщик 73 ЛЕВЕЛА (c) Sugrob
Установил, подключил, завёл, работает!
А теперь подробнее.
А теперь подробнее.
- Вложения
-
- Для начала приобрёл новый щёточный узел в сборе. 100р
- 1.jpg (44.59 КБ) 60048 просмотров
-
- Выпаял провода и припаял к ним разъёмы
- 2.JPG (32.61 КБ) 60048 просмотров
-
- Установил и подключил реле напряжения
- 3.JPG (43.29 КБ) 60048 просмотров
-
- Была спилена плошадка, уж больно маленький зазор был.
- 4.JPG (27.28 КБ) 60048 просмотров
-
- Была подпилена крышка щёточного узла (не утанавливалась на своё место)
- 5.JPG (37.7 КБ) 60048 просмотров
-
- внизу новая щетка
- 6.JPG (38.33 КБ) 60048 просмотров
-
- Была дороботана, придан небольшой радиус для лучшего контакта.
- 6_1.JPG (39.34 КБ) 60048 просмотров
-
- Щёточный узел установлен на место.
Освободившийся жёлтый провод был соединён смассой. - 7.JPG (30.84 КБ) 60048 просмотров
-
- Общий вид.
- DSC00353.JPG (33.92 КБ) 60048 просмотров
-
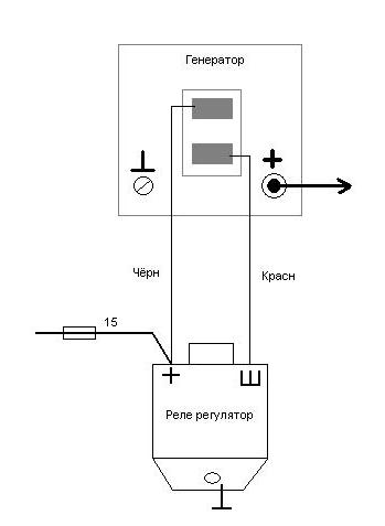
- Схема по которой все было подключено.
- Схема.JPG (12.08 КБ) 60048 просмотров
-
- Напоследок, старые щётки.
- Старые щётки.JPG (16.98 КБ) 60048 просмотров
Молодца! Можно, думаю, перепостить в Обмен опытом.
You can't take the sky from me
Гонщик 73 ЛЕВЕЛА (c) Sugrob
Гонщик 73 ЛЕВЕЛА (c) Sugrob
-
Конструктор
- Автолюбитель

- Сообщения: 97
- Зарегистрирован: 23 апр 2009 22:24
Кто сейчас на форуме
Сейчас этот форум просматривают: нет зарегистрированных пользователей и 5 гостей





